如何正確配置測試設定以量測附加相位雜訊?
附加相位雜訊是指訊號鏈中子系統或特定元件所引入的相位雜訊,這項量測特性主要針對訊號通過的裝置或系統進行評估,而非針對原始產生波形的裝置,此類分析的目標元件通常包括混頻器、放大器,以及其他多埠訊號處理裝置,本文章將深入說明如何正確配置硬體設定,以精確量測待測物(DUT)的附加相位雜訊。
附加量測的硬體配置
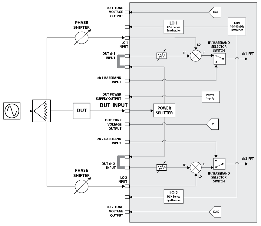
在典型的附加相位雜訊量測設定中,會使用一個高穩定度的訊號源來驅動整個量測程序,此訊號會被巧妙地分成三條獨立路徑,以實現精確的雜訊分離與分析:
- 路徑 1:
此路徑承載著經由待測物的訊號,其主要目的在於深入了解待測物對整體訊號品質的影響,特別是觀察其對訊號所增加的相位雜訊量。透過分析此路徑,我們可以量化待測物本身的雜訊貢獻。 - 路徑 2 和 3:
這兩條參考路徑均來自與待測物相同的訊號源,確保其不受待測物相位雜訊的影響,作為量測的基準;它們首先會通過高精度的移相器,這些移相器的作用是將其相位從路徑 1 精確偏移 90 度(即保持正交狀態);正交對準是關鍵步驟,它能夠顯著提升量測的靈敏度與準確度,在分析過程中更清晰地區分並突顯待測物所引起的微小相位偏差;隨後,這兩條路徑的訊號會被送至相位雜訊分析儀的前面板,經由其專用的 LO 輸入埠進入;路徑 2 和 3 沿著兩個獨立的通道傳輸,提供必要的參考訊號,以實現與路徑 1 的精確比較。
互相關(Cross correlation)技術是此量測方法的關鍵核心,其應用於將待測物的相位雜訊從其他潛在雜訊源中精確分離出來,例如:來自量測設定本身的雜訊;舉例來說,作為 LO 的訊號源或產生器,即使其本身具備極低的相位雜訊,仍會引入所有訊號路徑共有的相位雜訊,但這些雜訊並非本次分析的目標;透過對不同訊號路徑進行互相關處理,可以有效地找出並消除這些共同的雜訊貢獻,進而精確揭示僅與待測物相關的特定相位雜訊,這正是我們所關切的量測目標。

附加相位雜訊量測範例
為了更具體地說明量測過程,我們特別參考了影片「如何使用 HA7062 系列相位雜訊分析儀進行附加相位雜訊量測」,該影片提供了詳盡的逐步指南,涵蓋了從儀器硬體設定到圖形使用者介面(GUI)操作的每一個細節,確保使用者能順利執行附加相位雜訊量測。
在此範例設定中,Holzworth 產品線中關鍵的 Maury Microwave 元件包括:
- 相位雜訊分析儀:
HA7062D 相位雜訊分析儀是量測的核心,專為評估待測物的相位雜訊效能而設計,該儀器不僅提供卓越的準確度與極高的可靠性,更以其極快的量測速度和極致的配置彈性脫穎而出,滿足嚴苛的量測需求。 - 待測物:
作為本次量測的待測物,HX2600 寬頻、超低相位雜訊射頻放大器是理想選擇,該放大器專為輸出功率較低的裝置進行相位雜訊量測時,作為前置放大器使用而設計,能有效提升微弱訊號的位準,以利精確分析。 - 移相器:
兩個參考路徑則採用 HX5100 系列電子移相器,這些移相器具備特定頻率功能,可與 Holzworth 測試系統無縫整合,實現附加/殘餘相位雜訊量測的完全自動化;同時,這些移相器在量測過程中維持 ANSI z540 校準標準,確保量測結果的可靠性與可追溯性。

建議觀看以下影片中的範例測試設定實際操作,除了詳盡檢視硬體配置外,觀看者還將學習如何透過直觀的 GUI 來量測待測物的附加相位雜訊,影片內容涵蓋了儀器與 GUI 的連接、量測參數與所需相關性的設定、放大器的供電,以及移相器的精確配置——這是一份針對附加相位雜訊分析的必看教學。