射頻功率量測原理 (十三):如何運用波峰因數評估放大器線性度?
波峰因數(Crest factor, CF)為訊號的峰值振幅與其平均功率的比率(圖 1),波峰因數亦可稱為峰均功率比(peak-to-average-power ratio, PAPR),此參數專門用以揭示訊號中的極端峰值,因此,藉由分析放大器輸入端與輸出端的 CF 值,工程師便能有效驗證其線性操作區間或判斷系統中是否存在非線性失真;本文將深入探討運用 CF 方法評估放大器線性度的具體實踐,並同時闡述選擇合適的峰值功率感測器時必須考量的關鍵要素。

圖 1:透過量測峰值封包功率與脈衝平均功率來計算波峰因數。
放大器線性度的評估:波峰因數法
波峰因數法的量測流程始於一個限頻 (band-limited) 加成性高斯白雜訊(AWGN)波形,此波形可用來模擬多個載波訊號的合成效果,首先,使用峰值功率感測器在 AWGN 訊號通過定向耦合器或訊號分配器後量測其 CF 值,接著將此 AWGN 訊號輸入至待測放大器,並於輸出端配置另一部峰值功率感測器以擷取輸出訊號的 CF 值,這組於放大器輸入端與輸出端所測得的 CF 值,即是執行線性度評估的核心依據,其量測架構如圖 2 所示。

圖 2:波峰因數法的量測架構圖。
工程師會仔細比對輸入與輸出的 CF 數據,如果這兩個數值出現差異,意即隨著輸入功率的增加,輸出 CF 值反而降低,這便表示放大器已對波形的極端峰值產生削波,進而顯示出系統存在非線性的特性(圖 3)。

圖 3:相似的 CF 數據(左圖)表示放大器處於線性工作狀態,而出現差異的 CF 數據(右圖)則表示其效能已呈現非線性。
除了直接觀測最高資料點外,互補累積分布函數(CCDF)提供了一種更為全面的 CF 值統計分析方法,這個圖表描繪了訊號功率超過其平均功率特定比率的時間百分比,當時間百分比趨近於零時,在 CCDF 曲線上所量測到的功率比率,即為該訊號的波峰因數,如圖 4 所示,CCDF 曲線與 X 軸的交點即為波峰因數的量測值。

圖 4:互補累積分布函數 (CCDF) 圖。
波峰因數法的優勢
CF 並非唯一表徵放大器線性度的方式,其他替代方案包括雜訊功率比(Noise Power Ratio, NPR)法,以及分析三階交調失真產物等,然而,與其他方法相比,CF 法具備以下幾項顯著優勢:
- 結果精準:
相較於頻譜分析儀,峰值功率感測器能夠更真實地反映訊號壓縮情況,從而提供更為精確的量測結果。 - 成本效益:
採用 AWGN 訊號源與峰值功率感測器的組合,可節省採購其他高價測試儀器的預算。 - 操作簡便:
CF 法所使用的相關產品操作直觀,能大幅降低因使用者操作失誤而導致結果偏差的風險。
峰值功率感測器的關鍵要素
為了確保量測的可靠性,挑選峰值功率感測器時必須考量數項特性,其中之一便是影像頻寬(VBW),VBW 描繪了感測器是否能即時追蹤訊號振幅的快速變化,也就是其封包功率的動態。
為避免訊號失真與量測誤差,峰值功率感測器的 VBW 必須足夠寬,以完整涵蓋 AWGN 訊號的頻寬,同時,感測器還需要具備足夠的反應速度來精準追蹤訊號的上升邊緣;憑藉其寬廣的 VBW 與極快的上升時間,峰值功率感測器成為執行此類測試的理想儀器,舉例來說,Boonton 的 RTP5000 系列即時 USB 峰值功率感測器,搭載了獨特的即時功率處理(RTPP)技術,可提供 195 MHz 的 VBW 與小於 3 奈秒的極快上升時間,這項高效能主要歸因於兩個因素。
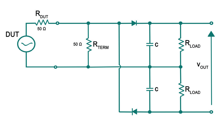
首先,橫跨平滑電容的低阻抗負載,讓峰值功率感測器在射頻振幅下降時能夠迅速放電,其次,峰值功率感測器採用了極小的平滑電容值(圖 5)。

圖五、圖 5:射頻偵測電路圖。
總結來說,放大器線性度對於維持高保真度的通訊品質至關重要,而採用如 RTP5000 系列感測器這類高效能解決方案,正是進行 CF 量測與線性度分析的理想選擇。