射頻功率量測原理 - 如何偵測射頻功率?
在現今的無線世界中,透過 射頻 (RF) 訊號的發送與接收,有效地傳遞資料並促進無線通訊的實現,在 RF 設計需要考量的所有參數中,功率量測始終是設計師與操作人員最關鍵的指標之一,隨著現今複雜調變方案、脈衝通訊模式的普及,以及無線裝置數量的增加,精準且高效地量測 RF 功率,對於發揮通訊系統及元件的最佳效能變得至關重要,例如,設計驗證、符合法規標準、遵守安全限制以防止高功率射頻輻射的危害、確保系統效率以及元件保護等情境,都仰賴精準的 RF 功率量測。
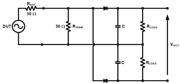
由於 RF 功率量測是無線技術設計與開發的首要任務,因此理解測試儀器實際量測 RF 功率的方法就顯得格外重要,其原理始於一種稱為二極體 (Diode) 的電子元件,二極體被定義為一種半導體裝置或元件,其特性是讓電流輕易地單向導通,同時嚴格限制反向電流的通過,運用二極體的 RF 功率感測器,會利用高頻半導體二極體來偵測橫跨於終端負載電阻上的 RF 電壓,此種感測器直接執行 AC 至 DC 轉換,並將轉換後的訊號傳遞至功率計,再由功率計進行量測並校準此 DC 電壓,最終產生功率讀值(如圖 1 所示)。

圖一、此為一個典型的二極體射頻功率偵測電路,採用電壓倍增器架構;輸入訊號經由 50Ω 終端電阻(RTERM)進行阻抗匹配,再透過二極體與電容組成的電路進行整流濾波,將高頻 RF 訊號轉換為與輸入功率相對應的 DC 電壓(Vout)進行量測。
DC 電壓與所測得功率之間的關係,取決於二極體的操作區間,通常可劃分為三個區域,分別是平方律區、轉換區與線性區(如圖 2 所示)。

圖二為二極體偵測器的典型響應曲線,呈現輸出電壓 Vout 與輸入 RF 功率的關係;圖中劃分三個操作區間:平方律區(藍色, < -20 dBm),Vout 與功率成正比;線性區(黃色, > 0 dBm),Vout 與電壓成正比;以及介於兩者間的轉換區(綠色)。
- 平方律區 (Square-law region):
在功率位準低於約 -20 dBm 時,二極體產生的 DC 輸出電壓與所施加的 RF 電壓平方成正比,因此該區間被稱為二極體感測器的「平方律區」,這種現象的發生,是因為輸入的 RF 訊號強度不足以使二極體在順向偏壓下完全導通,導致其行為模式如同非線性電阻,此區域同時具有調變獨立性的特點,意即即便存在調變訊號,其平均 DC 輸出電壓仍會與平均 RF 功率成正比,因此,只要封包 (峰值) 功率始終維持在二極體的平方律區範圍內,二極體感測器便可用於量測調變訊號的平均功率,專門在此區域運作的感測器被稱為真實平均功率感測器或 RMS 功率感測器。 - 轉換區:
二極體感測器的轉換區存在於平方律區與線性區之間,範圍約為 -20 dBm 至 0 dBm,在此轉換區域中,要獲得精確的功率讀值,則需仰賴對二極體響應的精細校準。 - 線性區:
當功率超過 0 dBm 時,即進入線性區(或稱「峰值偵測」區),在此區間 DC 輸出電壓與 RF 電壓成正比,在此模式下,二極體在每個載波週期皆進入順向導通狀態,並透過平滑電容維持其峰值 RF 電壓,此時感測器的行為相當於一個峰值偵測器(也稱為封包偵測器),其 DC 輸出電壓將等於峰對峰 RF 輸入電壓減去兩倍的二極體壓降。
RF 產品設計、系統整合與維護,皆仰賴精確且可靠的 RF 功率量測,除了無線通訊領域,RF 測試設備在半導體、軍事、航太及醫療產業中也扮演著關鍵角色,其應用場景涵蓋雷達、航空電子、電子作戰、衛星網路,以及 EMI / EMC 等多種情境,作為高效能 RF 與微波測試量測解決方案的領導者,Boonton 憑藉其豐富的產品組合,包括峰值與平均 RF 功率計、即時 USB 功率感測器及連接式 USB 功率感測器,能夠提供 RF 設計中不可或缺的關鍵功率指標。
延伸閱讀
- 精準洞悉射頻功率:量測原理、二極體偵測、操作區間 https://www.ultrontek.com/news_detail/rf-power-measurement-diode-detectors-solutions
- 射頻功率量測指南:峰值與平均功率感測器技術及應用解析 https://www.ultrontek.com/news_detail/rf-power-measurement-peak-average-sensors
- RF功率量測終極指南:峰值與平均功率差異 https://www.ultrontek.com/news_detail/rf-power-measurement-peak-average-differences
- 脈衝功率量測技術詳解:從基礎原理到前瞻應用與挑戰 https://www.ultrontek.com/news_detail/pulsed-power-measurements-guide
- 解鎖 5G/雷達射頻量測挑戰:深入剖析 RTP5000 即時峰值功率感測器應用 https://www.ultrontek.com/news_detail/rf-power-measurement-challenges-solutions-rtp5000-pmx40