精準洞悉射頻功率
量測原理、二極體偵測、操作區間
在今日高度互聯的無線世界中,射頻 (RF) 訊號的發射與接收扮演著實現高效資料傳輸和無縫無線通訊的關鍵角色,隨著無線技術的飛速演進,從我們日常使用的智慧型手機、各式各樣的物聯網 (IoT) 裝置,到攸關國家發展的先進衛星通訊系統,對射頻功率進行精準且可靠的量測與控制,已成為一項基礎且不可或缺的技術需求,特別是在面對當今通訊系統中普遍採用的複雜調變機制,例如 OFDM或 QAM,以及為了提升頻譜效率而設計的脈衝通訊模式,再加上各式無線裝置數量的爆炸性成長,使得準確且高效地量測射頻功率,對於發揮通訊系統與其組成元件的最佳效能,達成了前所未有的重要性。
為何精確的射頻功率量測在眾多工程參數中佔據如此核心的地位呢?其重要性體現在多個層面:首先,在產品的生命週期初期,它是設計驗證不可或缺的一環,工程師需透過精密的功率量測來確認設計是否達到預期的性能指標,例如放大器的增益與輸出功率;其次,全球各國對於無線設備的電磁輻射與操作功率均設有嚴格的法規規範,如美國的 FCC 或歐盟的 CE 標準,精確的功率量測是確保產品能夠合法上市銷售的基礎;再者,對於高功率射頻設備,例如廣播發射站或雷達系統,嚴格遵循安全限制以防止高功率射頻輻射可能對人體造成的潛在危害,保護操作人員與公眾安全,是設計和運維中的首要考量。
此外,系統效率的最佳化,例如在行動通訊基地台中,透過精準的功率控制以降低能源消耗並延長設備壽命,以及關鍵元件保護,例如防止精密且昂貴的功率放大器因承受過高功率而發生飽和失真甚至永久性損壞,皆高度依賴準確無誤的射頻功率量測結果,這些應用不僅限於前述領域,更深入到半導體測試流程中對射頻晶片(如 RFICs)的特性參數驗證,國防航太應用中的電子作戰 (electronic warfare) 系統性能評估與航空電子 (avionics) 設備的可靠度驗證,乃至於醫療設備如 MRI (磁振造影) 系統中射頻線圈的功率監控或高頻電燒刀的輸出功率校準,都突顯了精準射頻功率量測的普遍重要性,因此,一個全面且可靠的射頻功率量測方案,是確保這些複雜應用能夠穩定、高效且安全運作的根本保障,任何量測上的偏差都可能導致通訊品質下降、系統失效、甚至安全事故。
射頻功率量測的基礎:深入瞭解測試儀器的工作原理與核心元件
由於精確的射頻功率量測對於無線技術的設計、驗證及最終的成功部署而言具有最高的優先級,因此,深入理解現代測試儀器實際如何精準地捕捉並量化微弱或強大的射頻功率就顯得格外重要,事實上,這整個精密量測過程的核心,始於一種極為關鍵的電子元件——二極體 (diode),它被嚴謹地定義為一種半導體裝置或元件,其基本電氣特性是允許電流輕易地沿一個特定方向(正向偏壓)流動,同時卻嚴格限制電流在相反方向(反向偏壓)的流動,這種單向導電性使其成為訊號偵測與轉換的理想選擇。
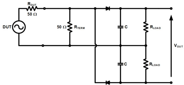
目前,絕大多數的射頻功率感測器,其核心偵測機制便是以特殊設計的二極體為基礎,這些感測器通常採用針對高頻操作最佳化的半導體二極體,例如反應速度快、接面電容低的蕭特基二極體 (Schottky diodes),來敏銳地偵測當射頻訊號施加於一個經過精密設計的終端負載電阻時,在該電阻兩端所形成的微小射頻電壓,此終端負載電阻的阻抗匹配至關重要,通常需精確匹配系統的特性阻抗(例如 50 歐姆),以最大限度地減少訊號反射,確保最大功率從待測訊號源傳輸至感測器,從而獲得準確的量測結果,這些專業的二極體感測器能夠直接且高效地執行從交流 (AC) 射頻訊號到直流 (DC) 電壓的轉換,這個 AC-DC 轉換過程要求極快的響應速度,特別是對於量測具有快速變動封包 (envelope) 的脈衝訊號或高峰均功率比 (PAPR) 的複雜調變訊號而言更是如此,轉換後產生的直流電壓或電流訊號,隨後會被中繼傳輸至與感測器配合工作的功率計主機,功率計內部的精密量測電路及微處理器會進一步量測此直流電壓,並參照感測器內儲存的校準資料進行精確的比例調整與計算,最終以使用者易於判讀的功率單位(如 dBm、瓦特)呈現在顯示器上(其基本偵測原理可參見圖 1 的簡化電路示意)。

圖 1:一個射頻偵測電路。
二極體操作區間對功率量測精準度的細微影響與考量
直流電壓與最終所量測到的射頻功率之間的精確數學關係,並非一成不變,而是高度取決於二極體在特定輸入功率位準下所處的操作區間,這個操作特性通常可細膩地劃分為三個主要的獨立區域——平方律區 (square-law region)、轉換區 (transition region) 與線性區 (linear region),每個區域的電氣行為均有所不同,直接影響功率的計算方式與量測結果的準確性(各區間的響應特性參見圖 2)。
平方律區 (Square-Law Region):平均功率量測的基石
- 核心特性與定義:
當輸入的射頻功率位準相對較低時,通常在約 -20 dBm 或更低(此閾值與二極體的種類及物理特性相關,例如其順向偏壓特性和接面電容),二極體所產生的直流電壓輸出與所施加射頻電壓的平方呈現高度的線性比例關係,因此,這個操作區間被定義為二極體功率感測器的「平方律區」, - 物理原理剖析:
這種獨特的平方律響應現象之所以發生,是因為在此低功率輸入條件下,射頻輸入訊號的電壓擺幅尚不足以使二極體在其正向導通方向上達到完全的飽和導通狀態,導致二極體在每個射頻週期內僅有部分時間輕微導通,其行為更接近於一個非線性電阻器,而非理想的開關, - 關鍵優勢:調變獨立性:
平方律區最為人稱道的特性之一是其調變獨立性,這意味著即使輸入的射頻訊號帶有複雜的調變(例如幅度調變、相位調變或頻率調變),其平均直流輸出電壓依然能夠準確地與輸入訊號的平均射頻功率成正比,而不受訊號波形或調變格式的影響, - 實際應用考量:
基於此特性,只要確保訊號的封包功率(即訊號的瞬時峰值功率)在任何時刻都始終維持在二極體感測器的平方律區操作範圍之內,那麼此類二極體感測器便可以非常可靠地用於量測各種已調變訊號的真實平均功率, - 對應感測器類型:
專門設計用於且主要在此低功率平方律區運作的功率感測器,通常被稱為實效平均功率感測器 (true-average power sensors) 或均方根功率感測器 (RMS power sensors),它們是量測如 Wi-Fi、LTE、5G NR 等複雜通訊訊號平均功率的理想選擇。
轉換區 (Transition Region):精密校準與補償的挑戰地帶
- 區間定義與範圍:
二極體功率感測器的轉換區,是介於低功率的平方律區與高功率的線性區之間的一個過渡操作範圍,其大致的功率位準範圍約從 -20 dBm 延伸至 0 dBm, - 量測精確度的關鍵:
在此轉換區間內,二極體的響應特性既不完全是平方律,也不完全是線性,呈現出較為複雜的非線性行為,因此,要在此區域獲得準確的功率讀數,極度依賴於對該特定二極體響應曲線進行極其仔細和精密的特性分析與校準,現代高性能功率感測器通常會在製造過程中,針對每個感測器在此區間的響應進行多點校準,並將校準資料儲存於感測器內,量測時透過內部微處理器運用先進的數位訊號處理技術或查表法 (look-up tables) 進行即時的非線性補償,以確保量測結果的準確性,此區間的量測複雜度相對較高,對感測器的設計與校準工藝提出了更高要求。
線性區 (Linear Region):峰值功率偵測的核心區域
- 核心特性與定義:
當輸入的射頻功率位準進一步提升,通常超過 0 dBm 時,二極體的操作便進入所謂的線性區(更準確地說,應稱為「峰值偵測區),在此高功率區域中,二極體產生的直流輸出電壓與輸入射頻電壓的峰值幅度成近似線性比例關係, - 詳細運作方式:
在高功率射頻訊號的激勵下,二極體在射頻載波的每個正半週期都會進入完全的正向導通狀態,此時,感測電路中的平滑電容會被充電至接近射頻訊號的峰值電壓,並在訊號的其餘部分週期內保持該電壓, - 感測器行為模式:
在此區域,二極體感測器的整體行為更像一個峰值偵測器,有時也被稱為封包偵測器,它能夠捕捉並反映輸入射頻訊號的峰值功率或封包功率,這對於分析具有高峰均功率比 (PAPR) 的訊號,如雷達脈衝或多載波通訊訊號至關重要,其直流輸出電壓在理想情況下將約等於峰對峰射頻輸入電壓減去兩個二極體因正向導通所產生的固有壓降 (diode drops)(此為典型橋式或倍壓偵測電路結構的特性)。

圖 2:二極體的操作區間及其響應特性。
射頻功率量測解決方案,有效應對多元化產業應用與新興技術挑戰
在現代高科技產業中,無論是射頻產品的設計與開發、複雜系統的整合與驗證,還是日常的操作與維護,都高度依賴準確、可靠且可追溯的射頻功率量測數據,除了廣為人知的無線通訊領域,例如手機、基地台及無線區域網路設備的測試,射頻測試設備在諸多尖端產業中同樣扮演著不可或缺的關鍵角色,例如在半導體產業,用於晶圓級 (wafer-level) 和封裝後射頻積體電路 (RFICs) 的特性參數測試與生產驗證;在軍事領域,用於雷達系統的發射功率校準、電子反制系統的效能評估以及通訊設備的現場維護;在航太產業,用於衛星通訊酬載的地面測試、飛行器航空電子 (avionics) 系統的電磁相容性驗證;以及在快速發展的醫療領域,用於高頻手術設備的功率輸出控制、磁振造影 (MRI) 系統的射頻場均勻性量測等,其具體應用更遍及各類型雷達系統(包含氣象雷達、導航雷達、車用毫米波雷達)、精密航空電子 (avionics) 裝置、複雜的電子作戰系統、全球覆蓋的衛星網路,乃至於各類電子產品上市前必須通過的 EMI (電磁干擾) 與 EMC (電磁相容性) 測試,以確保其不會對周遭設備產生不良干擾,且自身能在複雜電磁環境中正常運作。
奧創系統 (Ultrontek) 深刻理解業界對於精密功率量測的嚴苛需求,奧創系統所提供的產品組合極為廣泛且深入,其中包括了多系列高效能的峰值與平均射頻功率計,例如功能強大且適用於多種應用的 PMX40 射頻功率計,能夠進行複雜脈衝訊號詳細分析的精密 4500C 射頻峰值功率分析儀,以及性價比高且可靠耐用的 4240 射頻功率計,這些儀器能滿足從實驗室研發到生產線測試的各種需求。
與此同時,為了應對如 5G NR、Wi-Fi 6/7 等採用寬頻和高波峰因數 (crest factor) 訊號的新興技術所帶來的量測挑戰,奧創系統亦提供了一系列領先業界的即時 USB 功率感測器,如具備出色即時處理能力和高視訊頻寬的 RTP5000 系列即時峰值功率感測器,能夠精確捕捉和分析快速變化的訊號特性,以及同樣性能優越的 RTP4000 系列即時功率感測器。
此外,奧創系統還提供多款連接便利、易於整合的 Boonton 峰值、連續波 (CW) 與平均功率感測器,這些感測器具備卓越的動態範圍和靈敏度,能夠協助工程師和技術人員輕鬆應對從微弱洩漏訊號量測到高功率發射機輸出的各種複雜且嚴苛的量測挑戰,確保設計的準確性與系統的可靠性。
精準射頻功率量測的永恆價值與前瞻未來技術展望
綜上所述,精確、可靠且可追溯的射頻功率量測不僅是現代無線技術得以蓬勃發展並廣泛應用的核心支柱技術,更是推動未來科技創新的關鍵賦能因素,從基礎的二極體偵測物理原理,到針對不同輸入功率位準下二極體在平方律區、轉換區及線性區的細膩操作特性考量與精密校準,所有這些努力都是為了獲取最為真實且具代表性的功率數據,這些數據的品質直接關係到產品能否精準達到其預期設計效能、是否能夠順利通過日益嚴格的國際法規符合性測試,更深遠地影響到終端使用者體驗到的系統運作穩定性、通訊品質以及操作使用的安全性,特別是在諸如 5G/6G 先進通訊系統、自動駕駛車輛的毫米波雷達感知融合、大規模物聯網 (massive IoT) 部署以及低軌衛星通訊等飛速發展的前瞻技術領域,對於射頻功率的控制精度、量測速度以及動態範圍的要求更是達到了前所未有的嚴苛程度。
奧創系統 (Ultrontek) 憑藉其在射頻與微波測試與量測領域數十年積累的深厚技術底蘊,在台灣市場提供全面且技術領先的功率計與感測器產品線,為工程師、和技術專家提供了強而有力的量測工具與完整的解決方案,有效協助他們克服在產品研發、生產製造、品質保證以及現場部署與維護等各個環節中所面臨的複雜射頻功率量測挑戰,確保各式無線系統與其核心元件能夠在最佳的設計效能狀態下穩定運行,從而持續推動無線通訊技術的邊界拓展與跨產業的創新應用普及,共同塑造一個更加智慧、便捷與高效連結的未來世界。