AMG-LP 低剖面直接驅動平衡旋轉台
無齒槽,零背隙,精準控制每一度
Aerotech AMG-LP(Low Profile,低剖面)平衡旋轉台 (Gimbals) 提供超高精度的角度定位、速率與加速度,專為多種系統的開發與生產測試而設計。其高速精確指向能力,使其成為光學設備、雷射、天線及感測器應用的理想選擇。
卓越設計,極致性能
AMG-LP 具備連續 360° 方位角與仰角旋轉,內建旋轉導電環 (Slip Ring),可避免電纜纏繞,確保穩定運作,並具備高精度角度定位與速率控制能力,確保精準度與穩定性;直接驅動無刷伺服馬達設計完全無背隙,搭配無齒槽技術,有效提升速度穩定性;其堅固結構可承載直徑達 200 mm 的負載,同時具備低維護與高可靠性,大幅降低總擁有成本。
廣泛應用,卓越表現
AMG-LP 平衡旋轉台 (Gimbals) 適用於多種高精度測試環境,包括:
- 飛彈導引測試與校準
- 電光感測器與紅外線熱成像儀 (FLIR) 測試
- 感測器於真空環境的光學測試
- 慣性感測器,如陀螺儀 (Gyros)、微機電系統 (MEMS) 與加速度計的角度測試
其高效能、高穩定性與經濟實惠的設計,確保使用者獲得卓越的測試與控制體驗,AMG-LP 透過精密加工機構整合頂級馬達、軸承與編碼器,為高精度應用提供極致可靠的解決方案。
低剖面設計
AMG-LP 系列採用了低剖面直接驅動旋轉平台,使其在相同尺寸的產品中擁有更高的速度與加速度,性能遠超市場上的競爭對手;與相同扭矩範圍的其他產品相比,AMG-LP 的設計更加扁平精巧,因此特別適合應用在對光束高度、或腔體體積有嚴格限制的環境中;這樣的設計不僅讓設備體積更小,更能提升運行效率與穩定性,使其成為對空間與性能有高要求的應用場景中的理想選擇。
精確的 360° 位置控制與速率產生
AMG-LP 採用直接驅動無刷力矩馬達,搭配稀土磁鐵與高精度角度傳感器,並直接耦合至精密旋轉軸 (Precision Shaft),實現高精度且平滑的 360° 連續運動;由於無需使用齒輪組或其他傳動機構,因此完全消除了因機械遲滯、或背隙所造成的位置誤差,直接耦合的高解析度位置回授裝置確保高度精確且可重複的定位能力。
本系列提供多種等級的性能回授選項,標準線性解析度範圍約為 0.87 至 0.32 微弧度 (µrad),可搭配 Aerotech 控制器使用;此外,內建的方位角旋轉導電環確保旋轉運動可持續進行,無需擔心纏線問題。
鏡面與其他負載適配
AMG-LP 支援多種鏡面安裝尺寸,適用於標準光學應用;此外,Aerotech 亦提供多元的客製化負載安裝解決方案,以滿足不同設備的介面需求;每個平衡旋轉台 (Gimbals) 的鏡面安裝座皆可根據需求進行調整或更換,以適應各類感測器或非標準形狀的特殊負載。
直接驅動馬達,實現卓越控制
為了最大化定位與速度性能,AMG-LP 平衡旋轉台 (Gimbals) 採用 Aerotech 高扭矩 S 系列無刷無槽伺服馬達,這些馬達具有無刷直接驅動馬達的所有優勢,包括:
- 無需刷子維護
- 無需齒輪組保養
- 高加速度與高速運行
- 無齒槽、無鐵芯設計,實現零齒槽效應 (Zero Cogging),完全無轉矩脈動 (Torque Ripple)
這些特性確保了全行程運動更加順暢,並能達到更精確的定位,該系列馬達提供不同線圈繞組配置,可適用於高電壓或低電壓電源供應。
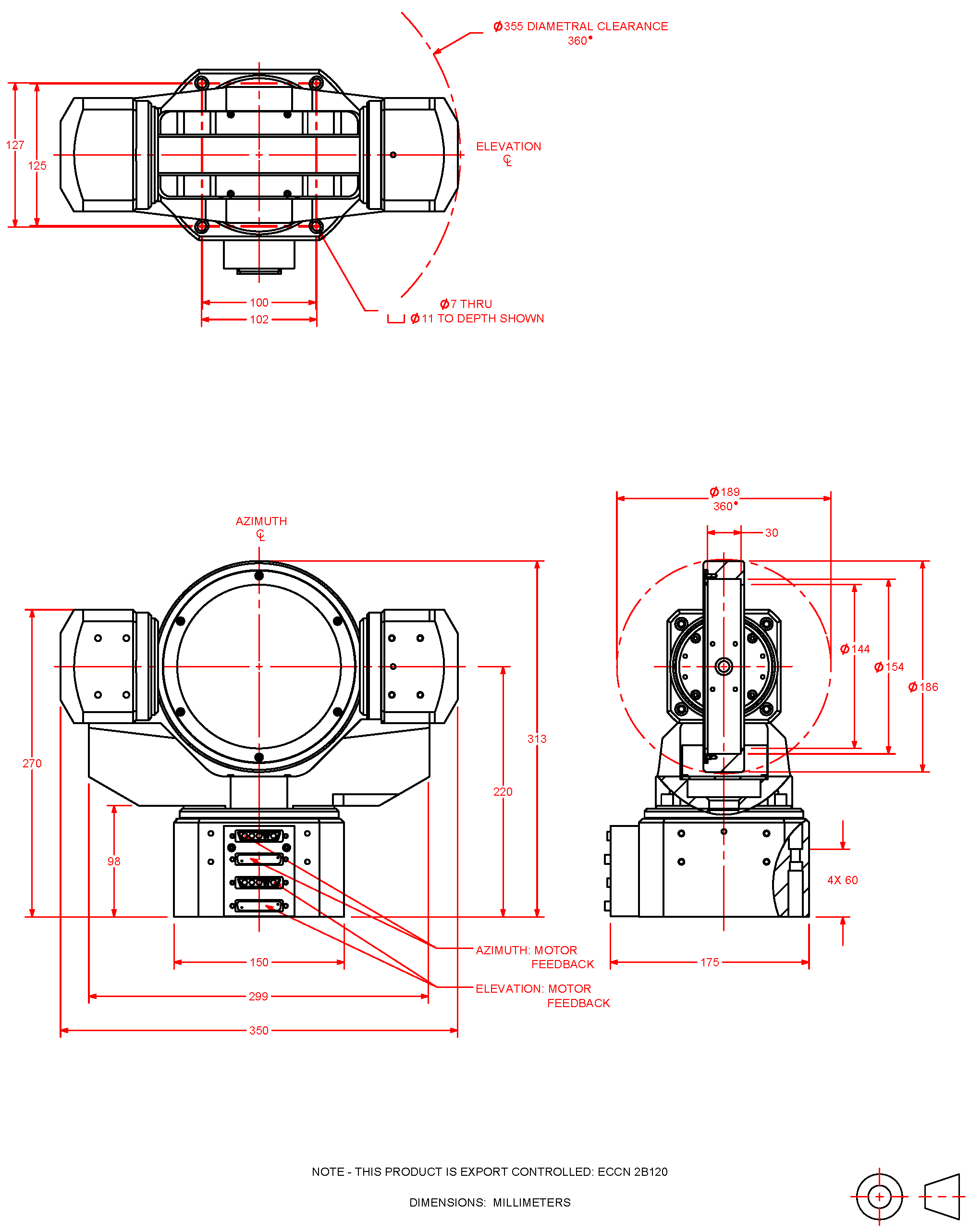
AMG-LP 規格

尺寸
AMG100LP

AMG150LP

AMG200LP

影音展示
奧創系統科技 (UltronTek) 為 Aerotech 在台灣的合作夥伴,可為客戶提供技術支援與客製化服務,以滿足多元應用需求。