RFCPL6000 寬頻射頻耦合監測器
從無線場到實驗室測試,打造穩定可靠的 RF 監控平台
RFCPL6000 由 Becker Nachrichtentechnik 推出,為一款可監控雙向射頻(RF)連線的寬頻耦合監測器,支援最高超過 12 GHz 的頻率範圍,具備小型化模組外觀。
透過此裝置可在不受其他無線訊號干擾的條件下,監控兩個存取點之間的有線通訊行為;同時,其設計可模擬無線場域中的射頻訊號衰減效應;該機種允許兩個存取點直接連接至 RFCPL6000 的高功率輸入埠,其監控埠(RF_MON)與主要輸入埠 A、B 間具備約 70 dB 的耦合損耗;此外,裝置外殼採用鋁合金金屬加工,具備電磁屏蔽能力,有效避免來自環境的無線干擾,以實現 可重現的有線測試場景。
功能特性
- 模擬主通道間之無線場域損耗
- 主通道支援最高 +35 dBm 射頻輸入功率
- 監控埠雙向耦合損耗約 70 dB
- 小型化尺寸,便於集成與部署
應用場景
- 雙向通訊訊號監測
- 存取點間射頻訊號監控

原理方塊圖
- RF_A 與 RF_B:
為可支援高功率輸入的雙向射頻埠,可直接連接兩個如基地台、AP 等存取點設備。 - 訊號衰減模擬:
RF_A 與 RF_B 間的訊號通道設計模擬無線電場的自然衰減,適用於再現真實通訊場景。 - RF_MON:
為耦合監控埠,可同步擷取 RF_A 與 RF_B 間之雙向訊號,用於即時量測與通訊行為分析。

技術規格

效能


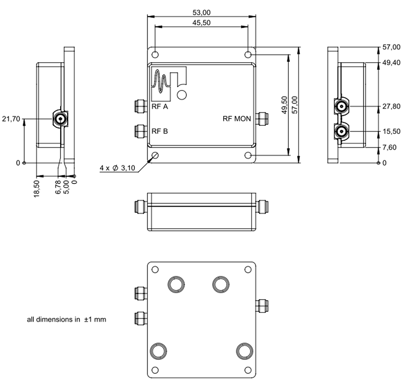
尺寸

外觀




